
한국 에너지공단에서는 검사민원 양식, 검사대상 기기 민원업무에 필요한 서식자료를 모아놓은 페이지가 있으며, 이를 통해 검사 서식을 빠르게 다운로드하여 효율적인 업무에 도움이 될 수 있도록 갖추고 있습니다.
다음 중 체크 ✔ 아이콘표시는 인터넷으로도 신청 가능하며, 홈페이지 (전자민원-열사용 기자재 검사-일반검사신청, 민원신고)를 통해 더욱 편리하고 빠르게 진행하실 수 있습니다.
✔검사대상 기기 (용접, 구조) 검사 신청서
✔검사 신청서
✔검사대상 기기(폐기, 사용중지) 신고서
✔검사대상 기기관리자
첨부 파일 서식은 한글 문서(HWP)와 PDF 형식의 파일로 구성되어있으며 동일한 내용이므로 사용이 편리한 파일 형식으로 다운로드하시면 됩니다.
1 철금속가열로현황조사표


2 ★정부 및 공공기관 보일러 성능검사 신청서(비검사대상 보일러 성능검사 신청하는 경우)

3 ✔검사대상 기기 (용접, 구조) 검사 신청서

4 ✔검사 신청서


5 ✔검사대상 기기(폐기, 사용중지) 신고서

6 감정 신청서


7 열공급 사용 전 검사 신청서

8 열공급 정기 검사신청서

9 ✔검사대상 기기관리자 (선임,해임,퇴직) 신고서

10 검사대상 기기관리자 선임 기한 연기승인서

11 검사대상 기기관리자 선임기한 연기신청서

12 검사대상기기 설치신고서

13 검사대상 기기 설치자변경신고서

14 검사대상기기 검사증 재발급신청서

15 검사 지정일 변경신청서

16 계속 사용검사 방법 변경 신청서

17 보일러 용접부위도

18 보일러 자체검사성적서(공작)

19 보일러 자체검사성적서(기계적 시험)

20 보일러 제조(용접 구조) 검사자체 기록서

21 압력용기 용접 검사자체 기록서

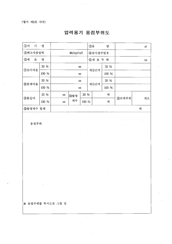
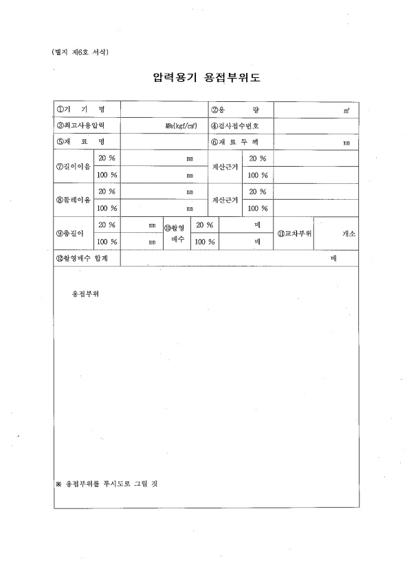
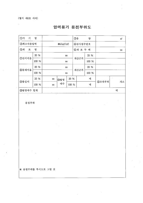
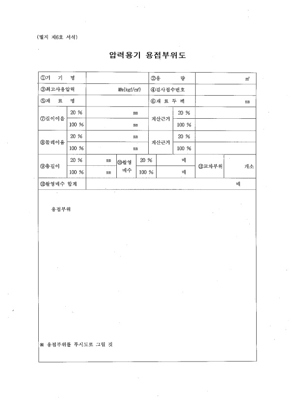
22 압력용기 용접부위도

23 압력용기 자체검사성적서(공작)

24 압력용기 자체검사성적서(기계적 시험)

25 보일러 설치장소변경검사 자체검사 기록서

26 압력용기 설치장소변경검사 자체검사 기록서

27 요청 검사 신청서

28 철금 속 가열로 설비 개요서

29 급수처리시설 인증신청서

30 급수처리시설 인증 유효기간 연장 신청서

31 급수처리시설 인증내용 변경신청서

32 급수처리시설 판매실적 제출

지금까지 한국 에너지공단의 검사민원 양식, 검사대상 기기 민원업무에 필요한 서식자료를 정리하고 살펴보았습니다. 파일을 모아놓고 한눈에 볼 수 있도록 정리하였기 때문에 업무에 도움이 될 거라 사료됩니다.

한국 에너지공단의 검사민원 양식을 직접 다운로드하시려면 여기를 참조하세요.
검사민원양식 | 자료실 | 정보마당 | 한국에너지공단
고객님의 민원업무에 필요한 서식자료를 확인하실 수 있습니다. 다음 중 표시는 인터넷으로도 신청 가능하며, 홈페이지 (전자민원-열사용기자재검사-일반검사신청, 민원신고)를 통해 더욱 편리
www.energy.or.kr
'보일러 정보' 카테고리의 다른 글
| 스케일과 보일러세관, 보일러 사용기술 규격(KBO) (0) | 2020.09.05 |
|---|---|
| 보일러 운전관리 및 보일러 관리자의 책무, 보일러 사용기술 규격(KBO) (0) | 2020.09.03 |
| 스케일 두께에 따른 에너지 소비 증가, 에너지 절감! (0) | 2020.08.31 |
| 수입 검사대상기기 검사의 면제, 검사업무 절차 (0) | 2020.08.31 |
| 산업용 보일러 세관, 우신기업! (0) | 2020.08.28 |
댓글